|
2022年10月22日、
ハードオフ
越谷草加バイパス店で
audio-technica AT-SP790TV
の故障ジャンク品が税込
550円
でした。





| メーカ | IC | 機能 |
| JRC | NJM2194 | SRS Dialog Clarity Processor |
| NJM2768B | Headphone Amplifier | |
| NJM12902 | Single Supply Quad Operational Amplifier | |
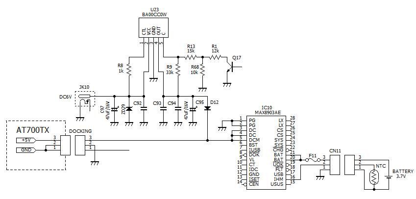
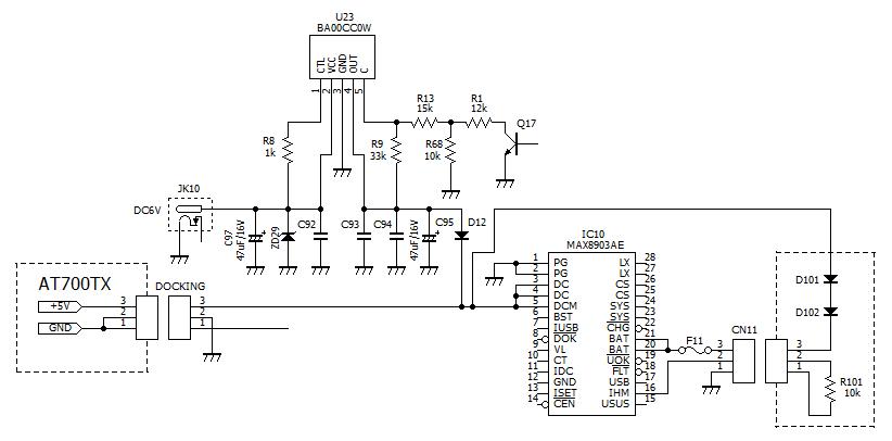
| MAXIM | MAX8903A | 2A 1-Cell Li+ DC-DC Chargers for USB and Apapter Power |
| MAX9701 | 1.3W, Filterless, Stereo Class D Audio Power Amplifier | |
| ROHM | BA00CC0W | 1A 可変出力 LDO レギュレータ |
| SILICON LABS | Si4731 | Broadcast Multi-Band Radio Receiver (DSP radio) |


写真の赤〇で囲んだコネクタの部分が Li-ion 等価回路です。
愛嬌のあるデザインで正面からは顔のようも見えます。
プリセット機能はなく、マニュアルまたはオートチューニングのみです。
右の写真はトランスミッタのドッキング端子を撮影したものです。
