|
Pioneer F-C3 (2号機) をゲット!
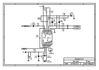
F-C3 は FM stereo 復調部にセパレーション調整ポイントがないことが問題と思っています。
解決のために、まずはこの部分を回路図化してみました。
右の回路図をクリックすると大きな回路図が pdf で表示できます。

| 手順 | SSG周波数 | SSG出力 | F-C3 の設定 | 調整箇所 | TP 及び調整値 | 備考 |
| 1 | - | - | FM/AM : FM
RF ATT : OFF Mono : OFF |
- | - | |
| 2 | 83MHz | 変調 : OFF
出力 : 30dB |
83MHz 受信 | フロントエンド
RF コイル×3 IFT |
TP5 電圧 = 最大 | S-METER
フロントエンド調整 |
| 3 | 83MHz | 変調 : MONO 1kHz
出力 : 90dB |
83MHz 受信 | T101 | オーディオ出力 = 高調波歪最小 | WaveSpectraで観測 |
| 4 | 83MHz | 変調 : MONO 1kHz
出力 : 90dB |
83MHz 受信 | T102 | TP1~TP2 間電圧 = 0V | T-METER
±5mV なら良い |
| 5 | - | - | - | - | 手順3と4を数回繰り返す | クォードラチュア検波調整 |
| 6 | 83MHz | 変調 : 1kHz R/L only
Pilot : ON 出力 : 90dB |
83MHz 受信 | VR101 | L/R ch. オーディオ出力 = 最小 | ステレオセパレーション調整
stereo ランプが点灯する範囲で実施のこと |
| 手順 | SSG周波数 | SSG出力 | F-C3 の設定 | 調整箇所 | TP 及び調整値 | 備考 |
| 1 | - | - | FM/AM : AM
AM mode : wide |
- | - | |
| 2 | - | - | 1602kHz 受信 | L105
黄コア |
TP3 電圧 = 7.5V | VT high |
| 3 | - | - | 531kHz 受信 | - | TP3 電圧 = 1.2V | VT low (確認のみ) |
| 4 | 1071kHz | 変調 : OFF
出力 : 30dB |
1071kHz 受信 | L105
黒コア |
TP5 電圧 = 最大 | S-METER
RF 調整 |
| 5 | 1071kHz | 変調 : OFF
出力 : 30dB |
1071kHz 受信 | T101 | TP5 電圧 = 最大 | S-METER
IF 調整 |
| 項目 | L | R | 単位 |
| ステレオセパレーション | 47 | 47 | dB |
| パイロット信号キャリアリーク | -35 | -32 | dB |
| 高調波歪率 (1kHz) | 0.04 | 0.04 | % |
| オーディオ出力レベル偏差 (MONO) | 0 | +0.18 | dB |