Technics ST-9030T (8号機) が到着
2024年4月16日、神奈川県藤沢市の C さんより
Technics ST-9030T
の修理依頼品が到着しました。
高級 FM 専用機
です。
本来は再調整だけの依頼でしたが、結果的に照明 LED 化やり直しや修理も実施することになりました。
写真は照明 LED 化やり直し後です。
程度&動作チェック
-
修理依頼者のコメント
-
ヤフオクで入手しました。
-
カミナリのような雑音が出る不具合があったので、不良トランジスタを特定して交換して直りました。
-
電解コンデンサほぼ全部交換し、照明を LED 化しました。
少し周波数ズレはありますが不自然なく音が出ています。
-
ただ測定等はできませんので基準値に入っているか分かりません。
そこが気持ち悪いです。
-
基本的には調整をお願いします。
-
外観
-
製造シリアル番号は [AT6K08A029] で、電源コードの製造マーキングより [1976年製造品] とわかりました。
-
キズやスレがある並くらいの外観ですが、フロントパネルはそう問題はありません。
-
リアパネルの端子類には少し輝きが残っており、問題はないです。
-
電源 ON してチェック
-
電源は正常に ON しました。
ダイヤル照明は点灯していますが暗いです。
[wide] ランプが点きません。
-
放送を受信でき [stereo] ランプも点灯しますが、ステレオ感はかなり弱いです。
-
[tuning] ノブを回すと周波数の低い辺りで回転に同期してガサゴソという雑音が出ます。
-
現状のまま軽くオーディオ性能を測定してみました。
-
[wide] ランプが点かないのですが、この高調波歪率からみると wide 状態と思います。
-
やはり、ステレオセパレーションが落ち込んでいるようです。
| 項目 |
IF select |
stereo/mono |
L |
R |
単位 |
| ステレオセパレーション (1kHz) |
wide |
stereo |
23 |
21 |
dB |
| 高調波歪率 (1kHz) |
wide |
mono |
0.070 |
% |
| stereo |
0.093 |
% |
| パイロット信号キャリアリーク |
wide |
stereo |
-65 |
-62 |
dB |
-
カバーを開けてチェック
-
修理依頼者のほうで照明を LED 化していますが、右の写真のように配線など雑です。
-
マスキングテープで配線の絶縁をしていますが、マスキングテープは熱でネチャネチャになって外れ、このままではいずれ重大事故に至ります。
-
当方の基準では、この LED 化は全然ダメです。
-
[wide] ランプが点かない原因もわかりました。
修理依頼者で実施した LED 球がホルダから外れていました。
-
修理依頼者のほうで電解コンデンサはほぼ全部交換されていました。
-
結局、修理依頼者から「LED 化をやり直しお願いします」となりました。
リペア (その1):照明 LED 化のやり直し
-
修理依頼者で実施した LED 化状態の撤去
-
雑な配線や LED を全て撤去しました。
マスキングテープでペタペタと貼り付けられていただけなので、撤去は簡単でした。
-
下の写真は撤去した部品です。
使っている LED のスペックがわからないので、流用はしません。

-
使用 LED
-
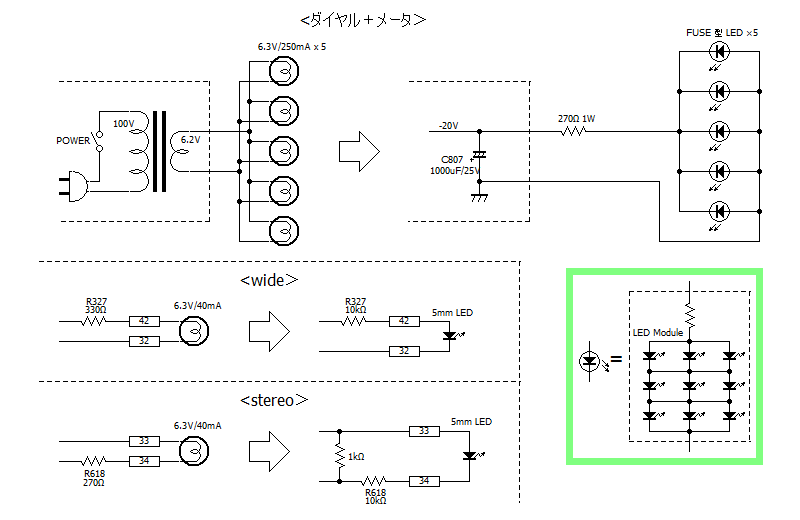
左の FUSE 型 LED はダイヤルとメータの照明に使います。
全部で5個使います。
-
1個で [6000K 白色 LED]×9個分搭載しています。
-
右砲弾型 LED は [wide] [stereo] 表示に使います。
全部で2個使います。
5mm 白色、10000mcd、照射角 60°です。

-
[フィラメントランプ]→[LED] への回路
-
[ダイヤル+メータ] のランプは AC 駆動でしたが、LED は DC 駆動する必要があります。
-
ST-9030T に既にある -20V 電源を使って LED を駆動します。
負電源を使うのは電流に余裕があるからです。
-
この回路では LED×5本に 47mA 流れるので、LED 1個あたり 9.4mA です。
-
電流制限抵抗270Ωは、元 stereo ランプ回路に使われていた R618 を流用しました。
-
[wide] のランプは DC 駆動なので、R327 の電流制限抵抗を変更して LED と置き換えました。
-
[stereo] のランプは DC 駆動なので、R618 の電流制限抵抗を変更して LED と置き換えました。
-
これだけだと、[stereo] ランプ駆動回路の漏れ電流でステレオでない時も薄っすらと点灯してしまいます。
-
LED は VF 電圧を超えると微弱な電流でも光ってしまうのです。
ある意味、フィラメントランプより感度が高い。
-
対策として 1kΩ の電圧制限抵抗を入れました。
漏れ電流があっても VF 電圧以下にする。

-
LED 化により消費電力が大きく減ってエコになりました。
-
フィラメントランプの時は 6.3V×250mA×5個+6.3V×40mA×2個=8.4W 消費していました。
-
LED 化後の照明での消費電力は 1W 以下になりました。
-
すなわち、8.4W→1W となり、明るくなったのに 7.4W もエコになったのです。
リペア (その2):[tuning] ノブを回すと周波数の低い辺りで回転に同期してガサゴソという雑音が出る
-
原因
-
原因はバリコン軸の接触不良です。
これは以下のように修理しました。
-
右の写真はバリコン軸受けです
-
軸と軸受板に緑色に見える部分があります。
これが緑青サビです。
-
サビは絶縁物なので接触不良となり、以下の現象が出ます
-
周波数の低い辺りで指針を動かすとゴソゴソという雑音が出る。
-
感度が落ちたり、受信が不安定になったりする。
-
以下のようにバリコン軸の接触回復作業をしました
-
エレクトロニッククリーナ
を軸受けに噴射し何度もバリコン羽を動かすと緑青サビが湧き出てきます。
-
湧き出た緑青サビを爪楊枝で丹念に落とします。
-
[1] と [2] を何度も何度も繰り返します。
-
軸受けに
接点復活スプレー
を塗布して何度もバリコン羽を動かして馴染ませます。。
-
仕上げに、軸受けにリチウムグリスを塗布して防錆処置します。
-
大量の緑青サビが除去できました
リペア (その3):FM フロントエンドの [CT6] トリマコンデンサ故障
-
概要
-
リペア (その1) ~ リペア (その2) まで終わって再調整に入ってから気が付きました。
-
FM フロントエンドの [CT6] トリマコンデンサを回しても容量変化がないのです。
[CT6] が故障しています。
-
修理
-
[CT6] は FM フロントエンドということもあり空中配線で取り付けられており、しかも非常に交換し辛い場所にあります。
-
[CT6] を破壊しながら除去し、代わりにセラミックトリマコンデンサ 10pF を電線配線で取り付けました。
-
左の写真は交換後の [CT6] です。
G17 ボンドで接着固定しました。
-
右の写真は元の故障していた [CT6] です。
一部破壊しているのでご参考です。

再調整
-
電源電圧チェック (VP)
-
実測値は以下のように良好です。
| VP |
標準電圧 |
実測電圧 |
判定 |
| TR801-E |
+12.7V |
+12.6V |
〇 |
| TR802-E |
+12.7V |
+12.6V |
〇 |
| TR803-E |
-12.7V |
-12.4V |
〇 |
-
FM 受信部の調整
-
調整結果
-
再調整前のステレオセパレーションは 20dB 台しかありませんでしたが、調整で以下のような良好な数値になりました。
-
再調整で音質が大きく向上して良い音になりました。
| 項目 |
IF select |
stereo/mono |
L |
R |
単位 |
| ステレオセパレーション (1kHz) |
wide |
stereo |
58 |
50 |
dB |
| narrow |
45 |
42 |
dB |
| 高調波歪率 (1kHz) |
wide |
mono |
0.043 |
% |
| stereo |
0.074 |
% |
| narrow |
mono |
0.24 |
% |
| stereo |
0.33 |
% |
| パイロット信号キャリアリーク |
wide |
stereo |
-78 |
-86 |
dB |
| オーディオ出力レベル偏差 (1kHz) |
wide |
mono |
0 |
-0.45 |
dB |
使ってみました
-
修理&再調整が終わって
-
修理依頼者で実施した雑な照明 LED 化をやり直しして、綺麗な状態にできてよかったです。
-
修理は全て終わったと思ったので再調整に入りましたが、ここで新たな故障発見! ・・・ 疲れました。
-
デザイン
-
鉄の塊のようなチューナで、ズッシリ重いです。
そして頑丈な作りです。
-
ダイヤルとのズレも少なく、高精度のバリコンを使っています。
-
同調ノブは重量感と質感があり、操作性も良好です。
-
FM アンテナ入力は F 端子なので、雑音電波が混入しにくいです。
-
高感度で高音質
-
豪華な作りで妨害排除能力が高く、S/N が非常に良く、結果的に高感度になっています。
スペック以上の受信能力があります。
-
音のエネルギーが低域から高域までスッキリ伸びており、かなりの高音質です。