松下電工 来るとライト EH405

2002年9月7日、 HARD-OFF 越谷花田店 へ出かけたら、ジャンクコーナーでLED式のセンサーライトが800円だったので買いました。 松下電工の EH405 です。

廊下・階段用(置き・壁掛け両用)で、人感センサーと照度センサーが内臓されており、周りが明るい時はは動作しないようになっています。 暗くなると人感センサーが作動し、人が通るとピカッとLEDが点灯します。 一度点灯すると5秒間は点灯します。 LEDは6灯です。

人感センサーが作動する範囲はこの図のようになっています。

特 長
[1] 熱線センサーが人を感じて自動点灯
[2] 電池寿命約1年(約5秒×10回/日)
[3] LED採用でランプ交換不要
■熱線センサーが人を感知して自動点灯、エリア外に出た後も約5秒間点灯
仕 様
●明暗センサー付で約3lx以下でないと点灯しません
●熱線センサーの検知範囲は前方2~3m×120度
●高輝度LED6個
●明るさ前方2mで1lx
●自動・連続・切の点灯モード切替付
●高さ45~77×幅152×奥行70~82 mm
●質量250g
●電源DC6V(アルカリ単3乾電池4個)
●固定台・ネジ付

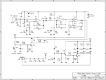
よくできたセンサーライトなので分解して回路を調査しCADで回路図を起こしてみました。 この程度の商品だと、だいたい2時間位で回路調査が終わり、CAD化は1時間位です。 頭の体操になります。
(この図をクリックすると等倍の図面が表示されます。)