KENWOOD L-03T (11号機) が到着
2025年9月7日、岩手県盛岡市の M さんより
KENWOOD L-03T
の修理依頼品が到着しました。
定価12万円
の
FM 専用高級チューナ
です。
この写真は照明を LED 化した後です。
程度&動作チェック
-
修理依頼者のコメント
-
35年くらい前に中古で入手しました。
電源コードが貧弱なので自分で交換しました。
-
20年くらい前に Kenwood サービスで修理・点検・整備をしてもらっています。
-
ですが経年のためか各調整がずれてきているように感じます。
再調整をお願いします。
-
トランスの唸りが大きい気がします。
改善出来るようであればお願いします。
不可ならそのままで結構です。
-
照明の LED 化をお願いします。
周波数スケールが剥がれてきているので修繕をお願いします。
-
同調から外れる際にボボッといったノイズが出る事があります。
バリコン軸付近が酸化しているのではないかと思います。
-
外観
-
製造シリアル番号は [40100144] で、電源コードが別物に交換されているのでここからは製造年不明です。
-
フロントパネルの正面は綺麗ですが、天板への折り返しエッジに所々にアルマイトハゲがあります。
-
[TUNING] ノブのエッジに所々にもアルマイトハゲがあります。
-
周波数ダイヤル板の右側が剥がれかけています。
-
リアパネルに問題はなく、RCA 端子には輝きが残っています。
天板自体は綺麗ですが、右端に2箇所少しヘコミがあります。
-
電源 ON してチェック
-
電源は正常に入りました。
ランプ切れはなく各スイッチも正常に反応します。
-
[S メータ] [T メータ] は正常に振れ [STEREO] [SERVO LOCK] ランプが点灯して正常な音がでました。
-
[S メータ] の振れを信じるとかなり感度落ちしているようです。
-
周波数の低い辺りで [TUNING] ノブを回すとガサゴソ雑音が入ります。
-
修理依頼者が言うように電源トランスからと思われる唸り音が聞こえます。
-
[TUNING] ノブのバックラッシュが 0.15~0.2MHz 程度あり大きいです。
-
カバーを開けてチェック
-
メータの製造マーキングより本機は [1983年製造品] とわかりました。
-
電源トランスの唸り音の原因は修理依頼者が交換した電源コードが原因です。
(下の左の写真)
-
この電源コードは電工で使うような平打ちの太くて芯線の硬いものです。
オーディオには合いません。
-
電源トランスの唸りを硬い芯線がリアパネルに伝搬して、リアパネルがスピーカみたいになっています。
-
元の電源コードは OFC で柔らかく今の電源コードよりグレードが上でした。
-
元の電源コードがなくどうしようもないので、このままとします。
-
バリコンに使っているプーリーの先に妙なモノが接着されています。
(下の右の写真)
-
よく見るとプラ皿ネジでした。
天板のサイドからプーリーを押さえて脱落防止が目的です。
-
本機はバリコンギア機構のプーリー軸の固定が外れており、おそらく過去にプーリー軸が脱落したのです。
-
この目的では成功しており、ここはこのままとします。

-
バリコンギア機構のプーリー軸が脱落してギアが外れバラバラになった時に誰かが再組立てしています。
-
この時、バックラッシュレス機構のスプリングが効かなくなってしまったのです。
-
これがバックラッシュが大きい原因です。
一旦バラバラになるとここの修理は無理です。
-
どうしようもないので、ここはこのままとします。
バックラッシュが大きいだけで受信できない訳ではありませんから。
-
基板は綺麗で目視で明らかに劣化とわかる部品は見当たりません。
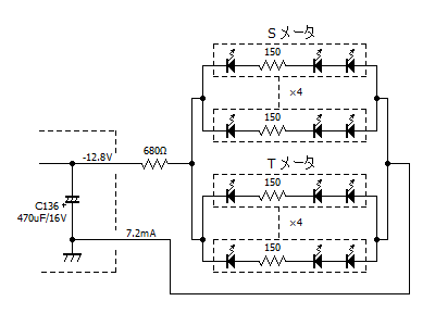
リペア (その1):メータ照明 LED 化
-
リプレースに使う LED と照明回路
-
左の写真の [テープ LED] を使います。
-
幅は 10mm で 12.5mm 単位にカットできます。
1単位あたり LED 3個が搭載されています。
-
4単位にカットしたものを2個使います。
発色はウォームホワイトです。
-
右の回路図が照明回路です。
-
LED は DC 駆動する必要があり、この電源を [C136] 電解コンデンサの両端から取ります。
-
メータあたりテープ LED を4単位使うので、LED×12個分に相当します。
-
電圧・電流の実測値は回路に記入しており、消費電力は 12.8V×7.2mA=0.09W です。

-
[S メータ] [T メータ] の取り外し
-
LED 化するには一旦 [S メータ] [T メータ] を取り外す必要があります。
-
そうするとメータの封印に使われていたセロテープが経年変化でボロボロと崩れ落ちました。
-
封印にセロテープを使うのは御法度です。
1年くらいでボロボロになります。
素人の作業ですね。
-
前に誰かが [S メータ] [T メータ] 内蔵のランプを交換していました。
-
ランプ交換後のメータ封印にセロテープを使ったのです。
LED 化作業の中で封印もやり直すことにします。
-
テープ LED 取り付けの様子
-
下の写真はテープ LED を取り付けと配線の様子です。
メータの上部に貼り付いているのがテープ LED です。
-
経年変化しない260℃耐熱ポリイミドテープを使ってテープ LED を貼り付けています。
セロテープではありません。
-
配線材はこれもやや高価な耐熱電線です。
メータ間の電線が長いですが、取り付けの作業をやりやすくするためです。
-
写真からはわかりませんが、メータ内部のフィラメントランプガイドをニッパで切り取っています。
外部から照射するので邪魔なのです。

-
メータを L-03T に組み込みました
-
左の写真はメータ取り付けの上側で、右の写真は基板裏に取り付けた電流制限抵抗 680Ω の取り付け状態です。
-
この抵抗を増減することで明るさを変更できます。
電線を余らせているのは、今後のメンテナンスを考慮してです。

-
LED 化完成
-
目論見通りムラのないスッキリとした綺麗なメータ照明になりました。
-
ウォームホワイト色は電球色ぽくって目に優しいです。
[STEREO] ランプなどと合う明るさに調節してあります。
-
なお、T メータのセンタ位置が僅かに右にズレていたので、メータの指針位置調整で直しました。

リペア (その2):周波数ダイヤル板剥がれの補修
-
原因
-
周波数ダイヤル板は両面粘着テープで貼り付けられています。
-
この両面粘着テープが経年変化で溶け出して周波数ダイヤル板が剥がれかけているのが原因です。
-
修理
-
周波数ダイヤル板を取り外したいのですが、なかなか外れませんでした。
-
ここも既に誰かが手直ししているようで、ブチルゴム系の両面テープに変更されていました。
-
ゴムが経年変化でネチャネチャになっているので、なかなか取れないのです。
-
スマホ修理用のスペーサを使って少しずつ外すしかなく数時間かかりました。
-
やっと外れたので、古い両面粘着テープを除去してから粘着跡を無水アルコールで洗浄しました。
-
新しく「布にも使える強力両面粘着テープ」で貼り直しました。
-
両面テープは [周波数ダイヤル板]~[L-03T 本体] と [アルミ製目盛]~[周波数ダイヤル板] の2箇所にあります。
-
前者が今回貼り直した部分で、後者はアルミ板を曲げそうで貼り直しを諦めました。
リペア (その3):[TUNING] ノブを回すとガサゴソ雑音が入る
-
原因
-
バリコン軸とアースプレートの間に緑青サビが出ているのが原因です。
(右の写真)
-
サビは絶縁物なので接触不良となり、以下の現象が出ます
-
周波数の低い辺りで指針を動かすとゴソゴソという雑音が出る。
-
感度が落ちたり、受信が不安定になったりする。
-
以下のようにバリコン軸の接触回復作業をしました
-
エレクトロニッククリーナ
を軸受けに噴射し何度もバリコン羽を動かすと緑青サビが湧き出てきます。
-
湧き出た緑青サビを 爪楊枝/歯間ブラシ/歯間糸楊枝 を使って丹念に落とします。
-
[1] と [2] を何度も何度も繰り返します。
-
接点復活スプレー
を軸受けに少量吹きかけ馴染ませます。
-
仕上げに、軸受けにリチウムグリスを塗布して防錆処置します。
リペア (その4):ハンダクラック予防補修
-
ハンダクラックしやすい箇所
-
左の写真は RCA 端子裏側で、リードが直接基板にハンダ付けされています。
-
このハンダ付け部分にはリアパネルと基板の2方向から常にストレスが掛かっているのでハンダクラックしやすいです。
-
右の写真は放熱器が取り付けられたパワートランジタ [Q42] で、リードが直接基板にハンダ付けされています。
-
このハンダ付け部分には放熱器と基板の2方向からストレスが掛かるのでハンダクラックしやすいです。

-
修理 (予防補修)
リペア (その5):その他
-
基板を留めるネジ×1本が欠品している
-
[S メータ] 近くのネジです。
なぜ?欠品しているのか不思議ですが、手持ちの同じネジを補充して留めました。
-
なお、天板をリアパネル側からネジ×1本で留めていますが、ここにネジはあったっけ?
-
過去に手掛けた L-03T の写真を見ても無いのが正解のようです。
多い分には問題ないので放置です。
-
フロントパネルの天板への折り返しエッジと [TUNING] ノブのエッジにポロポロとアルマイトハゲがある
-
補修塗りするほどではないので、黒のマジックペンでハゲ部分を化粧して、かなりマシになりました。
-
使っていて化粧が薄くなってきたら再化粧してください。
黒のマジックペンで塗るだけなので誰にでもできるでしょう。
再調整
-
電圧チェック (VP)
-
電源修理後は下のように正常でした。
| VP |
標準値 |
実測値 |
判定 |
備考 |
| Q42-E |
+12V |
+11.8V |
〇 |
Tuner |
| IC24-OUT |
+8V |
+8.05V |
〇 |
AF / Control |
| IC23-OUT |
-8V |
-8.23V |
〇 |
| Q47-D |
+12V |
+12.1V |
〇 |
Front End (OSC) |
-
FM 受信部の調整
-
調整結果
-
通常、OSC トラッキング調整は ±0.1MHz 以内を目指します。
-
ところが本機は既にバックラッシュが 0.15~0.2MHz あるので正確な調整ができません。
-
よって大体合っているという調整しかできませんでした。
やむを得ないです。
-
フロントエンドと IF 調整で感度がみるみる上がりました。
-
Non-Spectrum IF System VCO が大きく調整ズレしていました。
再調整で規定内に入りました。
-
MPX VCO がやや調整ズレしていました。
再調整で規定内に入りました。
-
ステレオセパレーションは 33dB に落ち込んでいましたが、再調整で10倍向上しました。
-
特に高調波歪率が大きく向上し、解像度が高く素晴らしく良い音になりました。
| 項目 |
IF BAND |
stereo/mono |
L |
R |
単位 |
| ステレオセパレーション (1kHz) |
WIDE |
stereo |
53 |
52 |
dB |
| NARROW |
49 |
47 |
dB |
| 高調波歪率 (1kHz) |
WIDE |
mono |
0.0093 |
% |
| stereo |
0.0093 |
% |
| NARROW |
mono |
0.10 |
% |
| stereo |
0.10 |
% |
| パイロット信号キャリアリーク |
WIDE |
stereo |
-84 |
-87 |
dB |
| オーディオ出力レベル偏差 (1kHz) |
WIDE |
mono |
0 |
-0.06 |
dB |
| REC CAL 信号 |
WIDE |
mono |
445 |
Hz |
| -7.0 |
dB |
使ってみました
-
修理&再調整が終わって
-
本機は1983年製です。
修理依頼者は35年前に中古で買われたということですから1990年です。
-
1990年では製造後7年目にしかならず以下の障害はまだ発生していなかったと思います。
-
バリコンギア機構のプーリー軸外れ
-
メータランプ切れ
-
周波数ダイヤル板外れ
-
でも私が受け取った時点で以上の箇所に修理跡があります。
なぜでしょうね?
普通には次の2つしかありません。
-
修理依頼者自らが手直しした。
-
20年前に KENWOOD サービスで修理したとのことですから、この時に該当部分が修理された。
-
いずれにしてもまずい修理だったのは確かです。
-
バリコンギア機構のプーリー軸外れの修理の際にバックラッシュを作り込んだ。
-
メータランプ交換の際にメータ封印をセロテープでやった。
-
[周波数ダイヤル板] 外れ修理をブチルゴム両面テープでの不正規作業をやった。
-
かえって不具合を作り込んでいます。
もっとキチンと修理すべきです。
-
デザイン
-
ダイヤルスケールは最前面で照明はありませんが見易いです。
-
黒いダイヤルスケールと赤い指針のマッチングが良いです。
-
チューニングノブはタッチセンサになっています。
-
[LOCK] スイッチ ON で同調サーボロックがかかります。
-
感度や音質
-
このクラスになると流石に良い
です。
安定度とか音質とかスペック表現できない部分が超優れています。
-
感度が良く、高解像度でカチッとした超高音質です。
高域も低域もよく出ています。
S/N も良いです。
性能は超一流です。
-
高解像度の音なのにハーモニー再現力もあります。
音に余裕があると言うか、この辺りが一般機との差です。