|
2009年3月11日、私のチューナーページのファンから
Pioneer F-780
を研究用に寄贈いただきました。

| メーカ | IC | 機能 |
| HITACHI | HA1138 | AM TUNER |
| HA1201 | FM IF Amplifier | |
| NEC | uPC1163HA | FM IF Amplifier |
| Pioneer | PA3007 | FM IF System |
| PA4006 | FM PLL MPX & Muting | |
| PA5001 | 2nd OSC & Mixer | |
| PA5002 | Pulse Count Digital Detector | |
| TOSHIBA | TC9137P | C-MOS LSI for Static Type Digital Tuning System |
| TD6104P | ECL Prescaller for FM | |
| TD6301P | Static Driver for LED/LCD Receiving Frequency Display |


| FM/AM | 機能 | 種別 | 調整ポイント | 調整内容 |
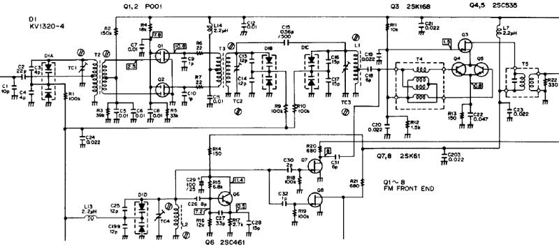
| FM | フロントエンド | L | T2 T3 L1 |
RF トラッキング |
| TC | TC1 TC2 TC3 |
|||
| L | L2 | OSC トラッキング | ||
| TC | TC4 | |||
| IFT | T5 | IF | ||
| IF | IFT | T6 | IF | |
| VR | VR1 | NARROW GAIN | ||
| VR2 | MUTING LEVEL | |||
| DET | IFT | T7 | 同調点 (NULL) | |
| T8 | IF BUFFER (10.7MHz) | |||
| L | T9 | 2nd OSC (9.44MHz) | ||
| VR | VR3 | CENTER POINT (PC 検波) | ||
| MPX | VR | VR5 | ステレオセパレーション調整 | |
| VR6 | VCO 調整 | |||
| VR7 | パイロットキャンセル | |||
| AM | フロントエンド | L | バーアンテナ T10 |
RF トラッキング |
| TC | TC5 TC6 |
|||
| L | T11 | OSC トラッキング | ||
| TC | TC7 | |||
| IF | IFT | F9 | IF (WIDE/NARROW) | |
| F10 | IF (NARROW) | |||
| F11 | IF (S meter) | |||
| FM/AM | REC CHECK | VR | VR8 | REC CHECK LEVEL |
| MCU | TC | TC8 | MCU CLOCK (7.2MHz) |
| TP | 接続先 | 内容 | 備考 |
| TP8 | TP8~TP9 間 | PC 検波 NULL | FM PC 検波 |
| TP9 | |||
| TP21 | TP21~GND 間 | VT 電圧 | FM/AM 共通 |
| TP22 | TP22~GND 間 | S meter | |
| TP23 | TP23~TP24 間 | FM 同調 NULL | FM 同調点 (QR) |
| TP24 | |||
| R54 | R54~GND 間 | IF Buffer | PC 検波前段 (10.7MHz) |
| VP | 標準電圧 | 備考 |
| +13V シルク (Q37-C) | +13V | アナログ系 |
| Q42 放熱板 (Q42-C) | +5.5V | デジタル系 |
| +28V シルク (Q39-C) | +29V | VT 電源 |
| 手順 | SSG出力 | F-780 の設定 | 調整箇所 | TP 及び調整値 | 備考 |
| 1 | - | FM : ON REC LEVEL CHECK : OFF FM IF-BAND : WIDE MODE : AUTO |
- | - | |
| 2 | OFF | 83MHz 受信 | T7 | TP23~TP24 間電圧 = 0±10mV | 同調点調整 |
| 3 | 83MHz 90dB 無変調 |
TC8 | |||
| 4 | - | 76MHz 受信 | L2 | TP21 電圧 = 7.0V | OSC トラッキング調整 |
| 5 | - | 90MHz 受信 | TC4 | TP21 電圧 = 25.0V | |
| 6 | 手順4~5を数回繰り返す | ||||
| 7 | 76MHz 30dB 無変調 |
76MHz 受信 | T2 T3 L1 |
TP22 電圧 = 最大 | RF トラッキング調整 |
| 8 | 90MHz 30dB 無変調 |
90MHz 受信 | TC1 TC2 TC3 |
||
| 9 | 手順7~8を数回繰り返す | ||||
| 10 | 83MHz 30dB 無変調 |
83MHz 受信 | T5 T6 |
TP22 電圧 = 最大 | IF 調整 |
| 11 | 83MHz 40dB 無変調 |
- | TP22 電圧 = 記録 | NARROW GAIN 調整 | |
| 12 | 83MHz 受信 FM IF-BAND : NARROW |
VR1 | TP22 電圧 = 手順11と同一 | ||
| 13 | 83MHz 90dB 無変調 |
83MHz 受信 FM IF-BAND : WIDE |
T8 | R54(100Ω)~GND 間電圧 = 最大 オシロスコープで観測 |
パルスカウント検波調整 R54 は T8 の右側にある |
| 14 | T9 | TP11 = 1.26MHz 周波数カウンタで測定 |
|||
| 15 | VR3 | TP8~TP9 間電圧 = 0±10mV | |||
| 16 | VR6 | TP7 = 76kHz±150Hz 周波数カウンタで測定 |
VCO 調整 | ||
| 17 | 83MHz 90dB stereo 1kHz L+R |
VR7 | オーディオ出力 = 19kHz 成分最小 | パイロットキャンセル調整 | |
| 18 | 83MHz 90dB stereo 1kHz L |
T5 T6 |
オーディオ出力 (L) = 高調波歪率最小 | stereo IF 歪補正 | |
| 19 | 83MHz 90dB stereo 1kHz R/L |
VR5 | オーディオ出力 (L/R)= 最小 | セパレーション調整 | |
| 20 | 83MHz 26dB mono 1kHz |
VR2 | MUTING = ON/OFF 閾 | ミューティングレベル調整 | |
| 21 | 83MHz 90dB mono 400Hz |
- | オーディオ出力 = 記録 | REC LEVEL 調整 | |
| 22 | REC LEVEL CHECK : ON | VR8 | オーディオ出力 = 手順21の -6dB | ||
| 手順 | SSG出力 | F-780 の設定 | 調整箇所 | TP 及び調整値 | 備考 |
| 1 | - | AM : ON REC LEVEL CHECK : OFF AM IF-BAND : NARROW |
- | - | |
| 2 | - | 522kHz 受信 | T10 | TP21 電圧 = 2.0V | OSC トラッキング調整 |
| 3 | - | 1602kHz 受信 | TC6 | TP21 電圧 = 25.0V | |
| 4 | 手順2~3を数回繰り返す | ||||
| 5 | 603kHz 40dB 無変調 |
603kHz 受信 | バーアンテナ T11 |
TP22 電圧 = 最大 | RF トラッキング調整 |
| 6 | 1404kHz 40dB 無変調 |
1404kHz 受信 | TC5 TC7 |
||
| 7 | 手順5~6を数回繰り返す | ||||
| 8 | 999kHz 40dB 無変調 |
999kHz 受信 | F9 F10 |
TP22 電圧 = 最大 | IF 調整 F9 は青色プラスチックケース F10 は白色プラスチックケース |
| 項目 | IF BAND | stereo/mono | L | R | 単位 |
| ステレオセパレーション (1kHz) | WIDE | stereo | 55 | 56 | dB |
| NARROW | 29 | 28 | dB | ||
| パイロット信号キャリアリーク | WIDE | stereo | -77 | -72 | dB |
| オーディオ出力レベル偏差 (1kHz) | WIDE | mono | 0 | +0.02 | dB |
| REC LEVEL CHECK 信号 | WIDE | mono | 304.7 | Hz | |
| -6.0 | dB | ||||
とても良いデザイン
機能関連
| アンテナ入力 (dB) | 1 | 2 | 3 | 4 | 5 |
| ~18 | × | × | × | × | × |
| 19~35 | ○ | × | × | × | × |
| 36~46 | ○ | ○ | × | × | × |
| 47~52 | ○ | ○ | ○ | × | × |
| 53~65 | ○ | ○ | ○ | ○ | × |
| 66~ | ○ | ○ | ○ | ○ | ○ |
| FM 受信部 | |
| 受信周波数範囲 | 76~90MHz |
| 実用感度(mono, 75Ω) | mono : 0.95μV/10.8dBf |
| S/N 比 50dB 感度(NARROW, 75Ω) | mono : 1.6μV/16.2dBf
stereo : 19.5μV/37.2dBf |
| S/N 比(85dBf 入力時) | mono : 92dB
stereo : 86dB |
| 高調波歪率(WIDE) | WIDE mono : 0.03% (100Hz), 0.03% (1kHz), 0.03% (10kHz)
WIDE stereo : 0.04% (100Hz), 0.04% (1kHz), 0.09% (10kHz) NARROW mono : 0.08% (1kHz) NARROW stereo : 0.3% (1kHz) |
| キャプチャーレシオ | WIDE : 1.0dB
NARROW : 2.0dB |
| 実効選択度 | WIDE : 40dB (400kHz)
NARROW : 60dB (300kHz) |
| ステレオセパレーション | WIDE : 60dB (1kHz), 50dB (50Hz~10kHz) |
| 周波数特性 | 20Hz~15kHz ±0.5dB |
| RF 相互変調特性 | 100dB (2.5MHz 離調)
85dB (800kHz) |
| イメージ妨害比 | 80dB |
| IF 妨害比 | 100dB |
| スプリアス妨害比 | 80dB |
| AM 抑圧比 | 60dB |
| サブキャリア抑圧比 | 70dB |
| ミューティング動作レベル | 5uV (25.2dB) |
| アンテナインピーダンス | 75Ω不平衡型
300Ω平衡型 |
| AM 受信部 | |
| 受信周波数範囲 | 522~1602kHz |
| 実用感度 | バーアンテナ: 300μV/m
外部アンテナ: 30μV |
| 選択度 | WIDE : 18dB
NARROW : 50dB |
| S/N 比 | 50dB |
| イメージ妨害比 | 65dB |
| IF 妨害比 | 90dB |
| 総合 | |
| 出力レベル/インピーダンス | FM(100%変調) : 650mV/1.1kΩ
AM(30%変調) : 200mV/1.1kΩ |
| 電源電圧 | AC100V, 50/60Hz |
| 定格消費電力(電気用品取締法) | 12W |
| 外形寸法 | 420(W)×60(H)×380(D)mm |
| 重量 | 4.5kg |
| その他 | |
| 発売時期 | 1981年 |
| 定価 | 49,800円 |