|
2008年3月7日、M さんより
KENWOOD D-3300T
という定価14万円の高級 FM 専用チューナの完全動作不良ジャンク品を寄贈いただきました。
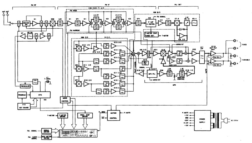
基板の作りは良く、部品が綺麗に整然と並んでいます。
写真をクリックすると拡大写真を表示できます。
| メーカ | IC | 機能 |
| JRC | NJM4200D | Analog Multiplier |
| NJM4560D | Dual Operational Amplifier | |
| NJM5532D | Low Noise Dual Operational Amplifier | |
| MITSUBISHI | M5128P | Low Noise Dual Operational Amplifier |
| M5230L | Variable Output Voltage Regulator (Dual Tracking Type) |
|
| MOTOROLA | MC1495L | Wideband Linear Four-Quadrant Multiplier |
| NEC | uPC1163HA | FM IF Amplifier |
| Panasonic | AN6555 | Low Noise Dual Operational Amplifier |
| AN6562 | Dual Operational Amplifier | |
| AN7418S | FM Stereo Multiplex Demodulator | |
| ROHM | BA401 | FM IF Amplifier |
| BA668A | 12-Point Fluorescent Display Tube VU Scale Peak Hold Meter Driver |
|
| SANYO | LA1231N | FM IF System |
| LB1290 | 8-Channel Driver Array | |
| LB1473 | LED 点表示 | |
| LB1494 | Level Meter for FLT Display | |
| TOSHIBA | TC9147BP | Static FM/AM/LM 3 Bands Digital Tuning System |
| TD6104P | Programable Counter | |
| TD6301AP | Static Driver for LED/LCD Receiving Frequency Display |

| 手順 | SSG出力 | D-3300T の設定 | 調整箇所 | TP 及び調整値 | 備考 |
| 1 | - | RF SELECTOR : DISTANCE IF BAND : WIDE REC CAL : OFF |
- | - | |
| 2 | 83MHz 90dB 無変調 |
83MHz 受信 | L9 | TP16~TP17 間 = 0±10mV | 同調点調整 |
| 3 | - | 76MHz 受信 | L5 | TP7 電圧 = 3.0±0.1V | OSC トラッキング調整 |
| 4 | - | 90MHz 受信 | TC5 | TP7 電圧 = 25.0±0.1V | |
| 5 | 手順3~4を数回繰り返す | ||||
| 6 | 76MHz 30dB 無変調 |
76MHz 受信 | L1 L2 L3 L4 |
MULTIPATH-V = 最大 | RF トラッキング調整 |
| 7 | 90MHz 30dB 無変調 |
90MHz 受信 | TC1 TC2 TC3 TC4 |
||
| 8 | 手順6~7を数回繰り返す | ||||
| 9 | 83MHz 30dB 無変調 |
83MHz 受信 | L10 L11 L22 |
MULTIPATH-V = 最大 | IF 調整 |
| 10 | 83MHz 90dB 無変調 |
[検波基板] L11 |
[検波基板] [L11] 2次側波形 = 最大 オシロスコープで観測 |
PLL 検波調整 | |
| 11 | [検波基板] L12 |
TP10~TP11 間 = 0±10mV | |||
| 12 | 83MHz 90dB mono 1kHz |
83MHz 受信 IF BAND : WIDE |
[DCC 基板] VR3 |
オーディオ出力 = 高調波歪最小 | IF 歪補正 (WIDE/mono) |
| 13 | [DCC 基板] VR4 |
オーディオ出力 = 2次高調波 (2kHz) 最小 | |||
| 14 | [DCC 基板] VR6 |
オーディオ出力 = 3次高調波 (3kHz) 最小 | |||
| 15 | 83MHz 受信 IF BAND : NARROW |
[DCC 基板] VR2 |
オーディオ出力 = 高調波歪最小 | IF 歪補正 (NARROW/mono) | |
| 16 | 83MHz 90dB 無変調 |
83MHz 受信 IF BAND : WIDE |
VR5 | TP15 = 76kHz±120Hz 周波数カウンタで測定 |
VCO 調整 |
| 17 | 83MHz 90dB stereo 1kHz L+R |
VR1 L20 |
オーディオ出力 = 19kHz 成分最小 | Pilot 信号キャンセラ調整 | |
| 18 | 83MHz 90dB stereo 1kHz L-R |
L19 | オーディオ出力 = 最大 | SUB レベル調整 キチンと調整しないと セパレーションに影響する |
|
| 19 | 83MHz 90dB stereo 1kHz L+R |
[DCC 基板] VR8 |
オーディオ出力 = 高調波歪最小 | IF 歪補正 (WIDE/stereo) | |
| 20 | 83MHz 90dB stereo 1kHz L-R |
[DCC 基板] VR7 |
|||
| 21 | 83MHz 90dB stereo 1kHz L |
[DCC 基板] VR5 VR9 |
オーディオ出力 (L) = 高調波歪最小 | ||
| 22 | 83MHz 90dB stereo 1kHz R |
VR4 | オーディオ出力 (L) = 最小 | WIDE セパレーション調整 | |
| 23 | 83MHz 90dB stereo 1kHz L |
VR3 | オーディオ出力 (R) = 最小 | ||
| 24 | 83MHz 90dB stereo 1kHz R/L |
83MHz 受信 IF BAND : NARROW |
VR2 | オーディオ出力 (L/R) = 最小 | NARROW セパレーション調整 |
| 25 | 83MHz 14dB 無変調 |
83MHz 受信 IF BAND : WIDE |
[IF 基板] VR1 |
S メータ = 1ドット表示 | AUTO STOP 調整 |
| 26 | 83MHz 43dB 無変調 |
[メータ基板] VR3 |
S メータ = 最大 | S メータ調整 | |
| 27 | 83MHz 90dB 無変調 |
[メータ基板] VR2 |
T メータ = センタ | T メータ調整 | |
| 28 | 83MHz 90dB mono 400Hz |
[メータ基板] VR4 |
M メータ = 100% | M メータ調整 | |
| 項目 | IF BAND | stereo/mono | L | R | 単位 |
| ステレオセパレーション (1kHz) | WIDE | stereo | 70 | 70 | dB |
| NARROW | 60 | 62 | dB | ||
| 高調波歪率 (1kHz) | WIDE | mono | 0.007 | % | |
| stereo | 0.009 | % | |||
| NARROW | mono | 0.008 | % | ||
| stereo | 0.012 | % | |||
| パイロット信号キャリアリーク | WIDE | stereo | -64 | -66 | dB |
| オーディオ出力レベル偏差 | WIDE | mono | 0 | +0.02 | dB |
フロントパネルが分厚いヘアラインアルミ材、チューニングツマミやボタンもアルミ材、天板は分厚い鉄板と、質感が良いです。
シグナル強度表示のバーが9本あって、T メータのシミュレーションをしています。

| アンテナ入力 (dB) | 1 | 2 | 3 | 4 | 5 | 6 | 7 |
| ~18 | × | × | × | × | × | × | × |
| 19~27 | ○ | × | × | × | × | × | × |
| 28~32 | ○ | ○ | × | × | × | × | × |
| 33~38 | ○ | ○ | ○ | × | × | × | × |
| 39~40 | ○ | ○ | ○ | ○ | × | × | × |
| 41~43 | ○ | ○ | ○ | ○ | ○ | × | × |
| 44~51 | ○ | ○ | ○ | ○ | ○ | ○ | × |
| 52~ | ○ | ○ | ○ | ○ | ○ | ○ | ○ |
| 項目 | 仕様 |
| 受信周波数範囲 | 76~90MHz |
| アンテナインピーダンス | 75Ω不平衡型 |
| 感度(IHF, 75Ω) | DISTANCE : 0.95μV/10.8dBf
DIRECT : 10μV/31.2dBf |
| S/N 比 50dB 感度 | DISTANCE MONO : 1.8μV/16.2dBf
DIRECT MONO : 18μV/36.3dBf DISTANCE STEREO : 24μV/38.8dBf DIRECT STEREO : 240μV/58.8dBf |
| 高調波歪率 (100% 変調) | MONO WIDE : 0.006% (100Hz), 0.004%(1kHz), 0.009%(50Hz~10kHz)
MONO NARROW : 0.02% (100Hz), 0.01%(1kHz), 0.02%(50Hz~10kHz) STEREO WIDE : 0.009% (100Hz), 0.007% (1kHz), 0.03% (50Hz~10kHz) STEREO NARROW : 0.03% (100Hz), 0.02% (1kHz), 0.1% (50Hz~10kHz) |
| S/N 比 (100% 変調, 85dBf 入力時) | MONO : 100dB
STEREO : 92dB |
| キャプチャーレシオ | WIDE : 0.8dB
NARROW : 2.0dB |
| 実効選択度 (IHF : ±400kHz) | WIDE : 70dB
NARROW : 100dB |
| ステレオセパレーション | WIDE : 71dB (1kHz), 60dB (50Hz~10kHz), 50dB (15kHz)
NARROW : 60dB (1kHz), 50dB (50Hz~10kHz), 45dB (15kHz) |
| 周波数特性 | 20Hz~15kHz ±0.5dB |
| イメージ妨害比 (84MHz) | 90dB |
| IF 妨害比 (84MHz) | 110dB |
| スプリアス妨害比 (84MHz) | 110dB |
| AM 抑圧比 | 70dB |
| サブキャリア抑圧比 | 75dB |
| 出力レベル/インピーダンス (FM 1kHz, 100% 変調) |
固定出力 : 0.6V/600Ω
可変出力 : MAX 1.2V/100Ω |
| マルチパス出力 | 垂直出力 : 0.05V/10kΩ
水平出力 : 0.6V/10kΩ |
| 電源電圧・電源周波数 | AC100V, 50/60Hz |
| 定格消費電力(電気用品取締法) | 20W |
| 寸法 | 476(W)×88.5(H)×327(D)mm |
| 重量 | 6.0kg |
| メモリーバックアップ保証時間 | 7日 (168時間) |
| その他 | |
| 発売時期 | 1986年 |
| 定価 | 140,000円 |